ICERGi – World Leader in Multi-Level power technology, delivering higher power densities with higher efficiencies for AI, Automotive, On-Board charging, Off-Board charging, and Server power designs.
ICERGi Key Advantages

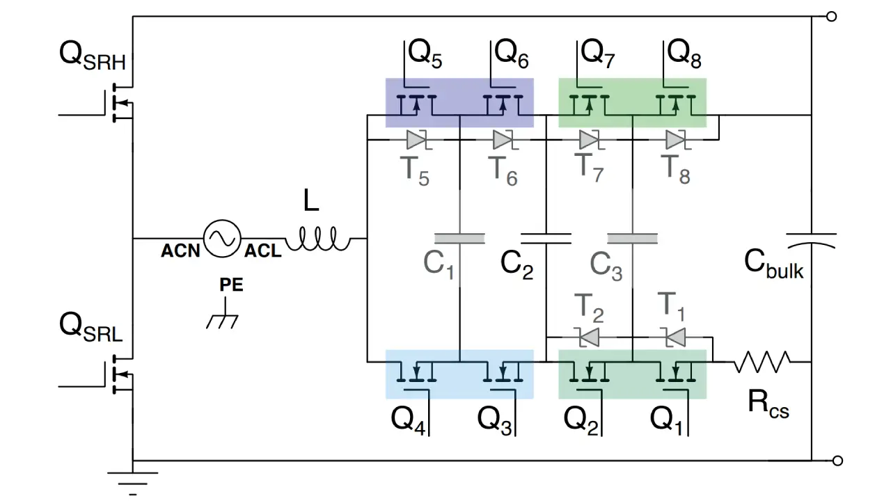
Multilevel Power
- Highest PFC efficiency (99.3%)
- Most compact PFC design
- 4x smaller magnetics and low EMI
- Easily scalable platform (to > 5.5 kW)
- Accelerated time-to-market

ICERGi Digital Control
- Simple / low-cost implementation
- Proprietary digital control algorithms
- Adjustable parameters via custom GUI
- Proven on many hardware platforms
- Low EMI and fast surge protection

Isolated Gate Drive
- Proven gate drive IP technology
- Industry Low Cost Implementation
- Compatible with Si and SiC devices
- Isolated design (no bias required)
- Planar or standalone transformers
License Our Patent Portfolio
Take a closer look at ICERGi’s patented innovation in power conversion, trusted by our partners and backed by years of research.

Get In Touch With Us
Discover how our technology can help drive your next project forward, or get in touch to request evaluation samples and explore our solutions in more detail.
Phone
+353 1 614 4959
info@icergi.com
Address
42 Lavery Avenue, D12 E1W4, Dublin, Ireland
Latest News
Applied Power Electronics Conference 2025
For 40 years, the APEC Applied Power Electronics Conference and Exposition has been the leading event for power electronics professionals….
How To Design Reliable Multilevel Bridgeless Totem-pole PFC
We are proud to share that our latest technical article, co-authored by Dr. Trong Tue Vu and Rytis Beinarys, has…
Applied Power Electronics Conference 2022
ICERGi will take part in non-virtual APEC 2022 held at Houston’s George R. Brown Convention Center on March 20th –…



